Skip to main content

澎湖南方四島海水淡化廠

海水/苦咸水淡化

ROTEK 為澎湖南方四島(東吉嶼與東嶼坪)建置 雙段式海水淡化系統,以提升離島生活與生飲用水的穩定供應。系統以海水 TDS 最高 42,000 mg/L 為設計基準,進水量 60 CMD,透過 PASS 1 海水 RO 與 PASS 2 純水 RO,產出每日 21 CMD 生活用水及 3 CMD 生飲水,水質符合飲用水規範。
系統整合慢濾池、袋式過濾與 DANFOSS 高壓泵及省能源回收裝置,可節省約 32% 能耗,降低柴油發電負載,兼顧供水穩定、節能效益與海洋環境友善,為離島公共供水之示範案例。

案例背景

澎湖南方四島位處偏遠離島,淡水資源有限,民生與觀光用水長期仰賴地下水與柴油發電。為因應國家公園環境教育、生態旅遊與居民基本生活用水需求,規劃建置 海水淡化系統,以提升離島自主水源與供水穩定度。

海水淡化系統設備 設計目標

海水淡化,是一種水處理技術,利用RO膜將鹽分與水分離,達到淡化的目的;方便於提供飲用水及生活用水。

  • 進水水質條件:海水 TDS ≤ 42,000 mg/L、污泥密度指數SDI < 5
  • 進水量:60 CMD(2.5 CMH)
  • 淡化水產水配置:
    生活用水:21 CMD
    生飲水:3 CMD
  • 產水標準:總溶解固體量TDS ≤ 800 mg/L、氯鹽Cl ≤ 250 mg/L、濁度 ≤ 2 NTU、總硬度CaCO3≤ 150 mg/L,符合生活及飲用水規範。

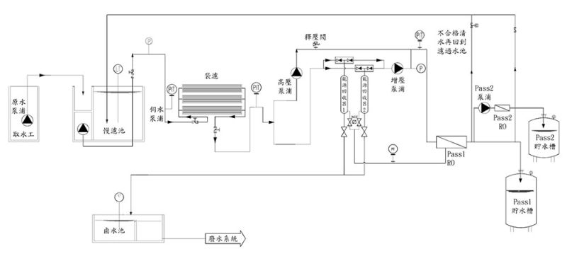
20+3CMD海水淡化流程

海水淡化處理設備 技術架構

系統採 雙RO逆滲透(PASS 1 + PASS 2) 設計:

1.取水工程與前處理工程

  • 沉水式取水泵(SUS316L)
  • 慢濾池去除懸浮物、鐵、錳與異味
  • 進水加壓泵浦,使慢濾池過濾後之海水流量達每天60CMD,進入前置過濾設備。
  • 自動砂濾與袋式過濾,去除海水中更細微之顆粒、使水質達SDI(污泥密度指標)小於5之需求,確保RO膜不被阻塞。

    2. 第一段海水淡化(PASS 1 RO)

    • 海水 RO 膜進行初步脫鹽
    • 搭配 DANFOSS 高壓泵與省能源回收裝置(APM),回收高壓濃水能量

      3. 第二段飲用水純化(PASS 2 RO)

      • 將 PASS 1 產水再純化
      • 產出生飲水 3 CMD,其餘 21 CMD 作為生活用水

      4. 海淡機房工程

      • 發電機30KW二部

      節能與運轉特色

      • 採用 DANFOSS- APM省能源回收裝置,整體系統可節省 約 32% 電力消耗。

      • 系統脫鹽率 > 99%,在原水 TDS 32,000~42,000 mg/L 變動條件下,仍可穩定產水。

      • 低藥劑使用、鹵水排放量小,對海洋環境影響輕微。

      系統效益

      • 提供東吉嶼與東嶼坪穩定之生活與飲用水來源

      • 降低對地下水與外運水源的依賴

      • 節能設計降低柴油發電負載與營運成本

      • 建立離島永續供水與公共建設示範案例

      請點選按鈕以載入知識庫內容。