ROTEK 為印尼大型紡織廠建置 2400CMD 全自動軟化水系統,處理量達 250,000 L/Hr,將地下水硬度由 <150 ppm 降至 <10 ppm,以滿足染整製程對穩定水質的高標準需求。
系統採四組串聯軟化器,搭配 ROTEK 陽離子樹脂與 2000L 鹽槽,並整合 即時硬度監測 (RUNXIN-F84) 與 智慧控制面板,確保水質超標時自動再生。全系統搭載變頻控制,降低能耗並維持連續供水,有效避免鍋爐結垢與管線堵塞,提升設備壽命與生產效率。
案例背景
印尼當地某大型紡織廠在染整製程中,對於軟化水的需求極高。若水中硬度過高,會造成 染劑反應不穩定、鍋爐結垢、管路堵塞 等問題,進而影響產品品質與設備壽命。為此,ROTEK 受託建置一套 100T/Hr全自動軟化水系統,以滿足工廠高標準製程需求。
系統規格與流程
- 處理能力:250,000 L/Hr *4=100T/Hr
- 原水源:地下水,硬度 <150 ppm
- 處理後水質:硬度 <10 ppm
製程流程
原水加壓馬達 ⮕ 全自動軟化過濾器 ⮕ 軟水儲水塔 ⮕ 軟水輸送泵
原水加壓馬達
CR125-2-2 泵浦 (一備一用), 110M3/Hr進水+變頻器恆壓控制,以確保穩定進水
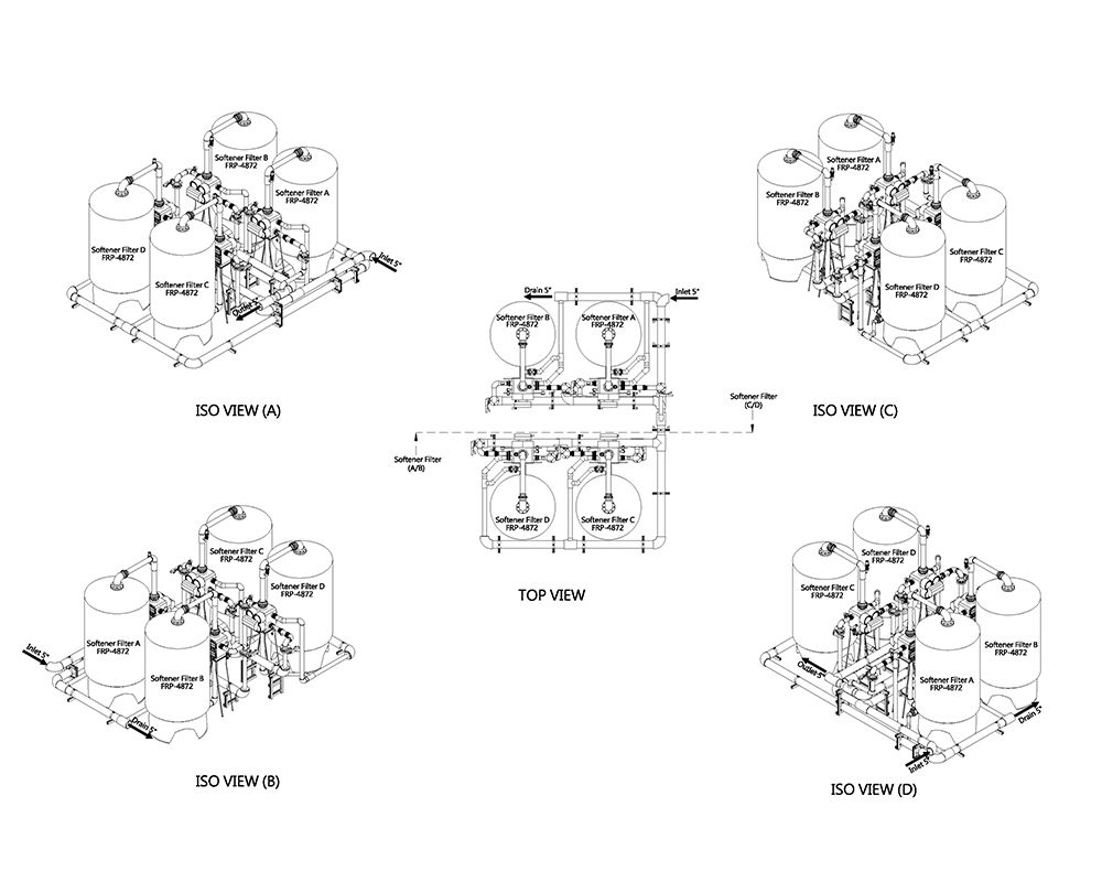
全自動軟化器
FRP 63"x86" 罐體4組並聯,填充 ROTEK 鈉型陽離子樹脂(3,000L/罐),採用RUNXIN流量型- 40m³/h自動控制閥組,每日再生循環,平均鹽耗約 1120Kg
鹽水系統
2000L 鹽槽,具氣曝功能,不銹鋼底架,並附排水閥設計
控制與安全
變頻控制箱搭配流程面板及軟水訊號燈,並整合變頻器與壓力感測器
應用效益
- 穩定的製程用水:確保染整工序中水質一致,避免布料色差或品質不良。
- 降低設備維護成本:有效防止鍋爐與管線結垢,延長設備壽命。
- 智慧化管理:全自動運作與即時警報機制,減少人力檢測,降低操作錯誤風險。
- 營運效率提升:每日設定再生流程錯開,確保供水不中斷,支援全天候生產需求。
本案例展示了 ROTEK 在 大型工業用水處理領域 的專業能力,從 設計、製造到自動化控制,皆以 高效、安全、穩定 為核心,確保紡織廠的製程品質與營運效益。